Zum Hauptinhalt springen Zur Suche springen Zur Hauptnavigation springen

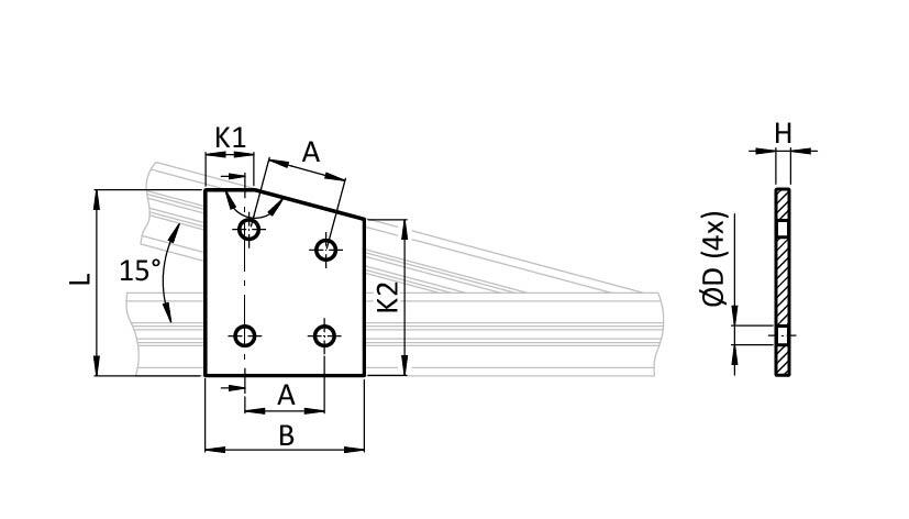
ECO-Verbinderplatte AL 15° 4-Loch, 1 Nut

Produktinformationen "ECO-Verbinderplatte AL 15° 4-Loch, 1 Nut"

Lieferländer:
Nordamerika

Beschreibung:
zur Verbindung von zwei Aluminiumprofilen

Material:
Aluminium

Oberfläche:
eloxiert
Modell: Aluminium
Liefereinheit: 10 Stück
Zolltarifnummer Ausfuhr: 76169990
Gewicht (g): 90.0
(ECLASS 6.0): 23360290
(ECLASS 7.0): 23360290
(ECLASS 8.0): 23360290
(ECLASS 9.0): 23360290
(ECLASS 10.0): 23360290
(ECLASS 11.0): 23360290
(ECLASS 12.0): 23360290
(ECLASS 13.0): 23360290
ERP-Nummer: 160532
Zolltarifnummer: 76169990990

Varianten

Teil-Nr. Ausführung ØD (mm) A (mm) B (mm) H (mm) L (mm) K (mm)
093EVG7689 76.2 / 88.9 - 3" / 3.5" 9.0 (0.35") 38.1 (1.5") 76.2 (3") 6.35 (0.25") 88.9 (3.5") 23.98 (0.94")

Zertifikate