Zum Hauptinhalt springen Zur Suche springen Zur Hauptnavigation springen

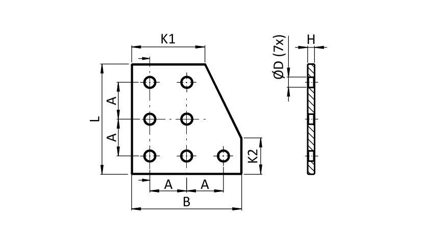
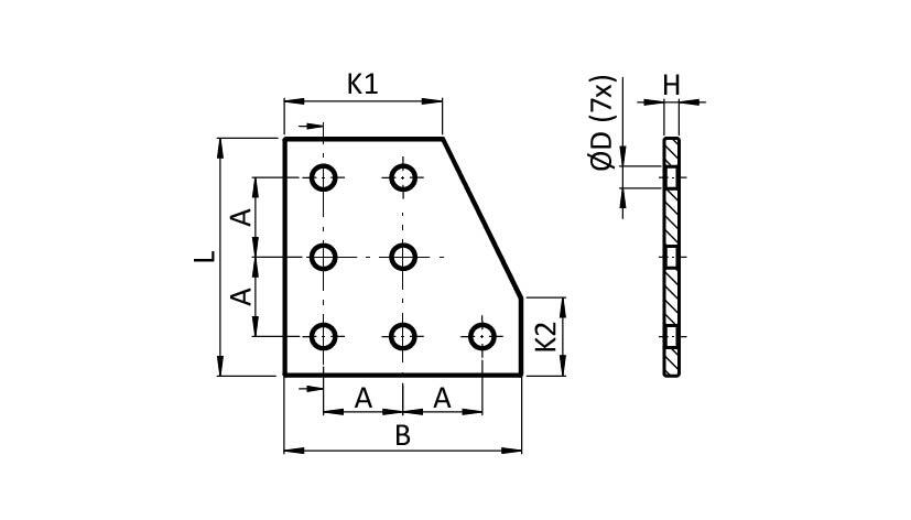
ECO-Verbinderplatte AL L 7-Loch, 1 Nut x 2 Nuten

Produktinformationen "ECO-Verbinderplatte AL L 7-Loch, 1 Nut x 2 Nuten"

Lieferländer:
Nordamerika

Beschreibung:
zur Verbindung von zwei Aluminiumprofilen

Material:
Aluminium

Oberfläche:
eloxiert
Modell: Aluminium
Liefereinheit: 10 Stück
Zolltarifnummer Ausfuhr: 76169990
Gewicht (g): 80.0
(ECLASS 6.0): 23360290
(ECLASS 7.0): 23360290
(ECLASS 8.0): 23360290
(ECLASS 9.0): 23360290
(ECLASS 10.0): 23360290
(ECLASS 11.0): 23360290
(ECLASS 12.0): 23360290
(ECLASS 13.0): 23360290
ERP-Nummer: 150578
Zolltarifnummer: 76169990990

Varianten

Teil-Nr. Ausführung ØD (mm) A (mm) B (mm) H (mm) L (mm) K (mm)
093EVL114114S01 114 / 114 - 4.48" / 4.48" 9.0 (0.35") 38.1 (1.5") 114.3 (4.5") 6.35 (0.25") 114.3 (4.5") 38.0 (1.49")
093EVL7676S01 76.2 / 76.2 - 3" / 3" 7.0 (0.27") 25.4 (1") 76.2 (3") 4.8 (0.19") 76.2 (3") 51.0 (2")

Zertifikate