Zum Hauptinhalt springen Zur Suche springen Zur Hauptnavigation springen

ECO-Verbinderplatte AL T 7-Loch, 1 Nut

Produktinformationen "ECO-Verbinderplatte AL T 7-Loch, 1 Nut"

Lieferländer:
Nordamerika

Beschreibung:
zur Verbindung von zwei Aluminiumprofilen

Material:
Aluminium

Oberfläche:
eloxiert
Modell: Aluminium
Liefereinheit: 10 Stück
Zolltarifnummer Ausfuhr: 76169990
Gewicht (g): 300.0
(ECLASS 6.0): 23360290
(ECLASS 7.0): 23360290
(ECLASS 8.0): 23360290
(ECLASS 9.0): 23360290
(ECLASS 10.0): 23360290
(ECLASS 11.0): 23360290
(ECLASS 12.0): 23360290
(ECLASS 13.0): 23360290
ERP-Nummer: 150591
Zolltarifnummer: 76169990990

Varianten

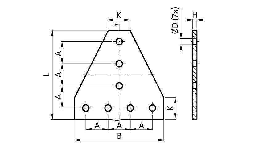
Teil-Nr. Ausführung ØD (mm) A (mm) B (mm) H (mm) K (mm) L (mm)
093EVT102102 102 / 102 - 4" / 4" 7.0 (0.27") 25.4 (1") 101.6 (4") 4.8 (0.19") 25.0 (0.98") 101.6 (4")
093EVT152152 152 / 152 - 5.98" / 5.98" 9.0 (0.35") 38.1 (1.5") 152.4 (6") 6.35 (0.25") 38.0 (1.49") 152.4 (6")

Zertifikate