ECO-Verbinderplatte AL rechteckig 8-Loch, 2 Nuten
                                            
                            Teile-Nr.:
                        
                    
                                            
                        
                            093EVD51102
                        
                                    
                        Produktinformationen "ECO-Verbinderplatte AL rechteckig 8-Loch, 2 Nuten"
                        Farbe:
schwarz
Lieferländer:
Nordamerika
Beschreibung:
zur Verbindung von zwei Aluminiumprofilen
Material:
Aluminium
Oberfläche:
pulverbeschichtet / eloxiert
                
                                                                schwarz
Lieferländer:
Nordamerika
Beschreibung:
zur Verbindung von zwei Aluminiumprofilen
Material:
Aluminium
Oberfläche:
pulverbeschichtet / eloxiert
| Modell: | Aluminium | 
|---|---|
| Liefereinheit: | 10 Stück | 
| Zolltarifnummer Ausfuhr: | 76169990 | 
| Gewicht (g): | 60.0 | 
| ERP-Nummer: | 150570 | 
| Zolltarifnummer: | 76169990990 | 
Varianten
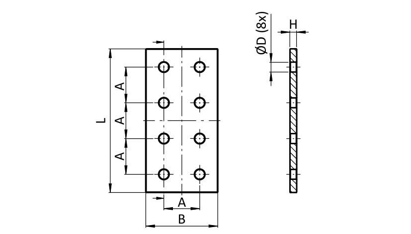
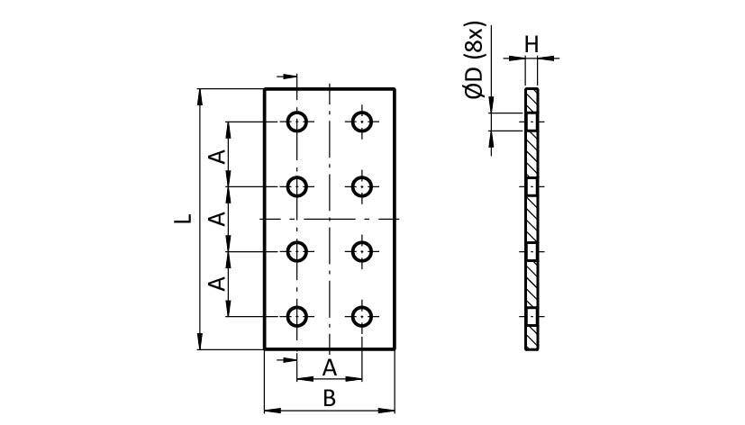
| Produkt ID | Abb. | Ausführung | Farbe | ØD (mm) | A (mm) | B (mm) | H (mm) | L (mm) | Oberfläche | 
|---|---|---|---|---|---|---|---|---|---|
| 093EVD51102 | ② | 50.8 / 101.6 - 2" / 4" | - | 7.0 (0.27") | 25.4 (1") | 50.8 (2") | 4.8 (0.19") | 101.6 (4") | eloxiert | 
| 093EVD51102S | ① | 50.8 / 101.6 - 2" / 4" | schwarz | 7.0 (0.27") | 25.4 (1") | 50.8 (2") | 4.8 (0.19") | 101.6 (4") | pulverbeschichtet | 
| 093EVD76152 | ② | 76.2 / 152.4 - 3" / 6" | - | 9.0 (0.35") | 38.1 (1.5") | 76.2 (3") | 6.35 (0.25") | 152.4 (6") | eloxiert | 
| 093EVD76152S | ① | 76.2 / 152.4 - 3" / 6" | schwarz | 9.0 (0.35") | 38.1 (1.5") | 76.2 (3") | 6.35 (0.25") | 152.4 (6") | pulverbeschichtet |