Zum Hauptinhalt springen Zur Suche springen Zur Hauptnavigation springen
Kundeninformation zur ERP Umstellung am 01.10.2025 – für Sie bedeutet das mehr Service & Verlässlichkeit! Jetzt mehr erfahren

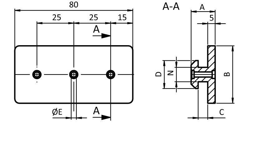
Profilgleiter flach

Produktinformationen "Profilgleiter flach"

Lieferländer:
weltweit

Beschreibung:
zur gleitenden Führung von Profilen mit Nuten; ökonomische und verschleißarme Lösung, z. B. für Flächenelemente

Material:
Kunststoff POM

Oberfläche:
natur
Modell: Nut 6, 8, 10, V_Slot 6, 8, 10
Befestigung: mit Blechschrauben
Liefereinheit: 10 Stück
Zolltarifnummer Ausfuhr: 39269097
Gewicht (g): 22.0
(ECLASS 6.0): 23369290
(ECLASS 7.0): 23369290
(ECLASS 8.0): 23369290
(ECLASS 9.0): 23369290
(ECLASS 10.0): 23369290
(ECLASS 11.0): 23360192
(ECLASS 12.0): 23360192
(ECLASS 13.0): 23360192
ERP-Nummer: 128628
Zolltarifnummer: 39269097900

Varianten

Produkt ID A (mm) B (mm) C (mm) D (mm) E (mm) Nut N (mm) Profil
093SM06S02 9.8 17.0 2.3 11.5 2.8 6 B
093SM08S02 11.5 26.0 3.0 15.0 2.8 8 B
093SM10S02 16.3 39.0 6.5 19.0 3.5 10 B

CAD-Downloads

Zertifikate