Mitre Connector 90°
                                            
                            Número de producto:
                        
                    
                                            
                        
                            099GV1090
                        
                                    
                        Información sobre el producto "Mitre Connector 90°"
                        Países de Entrega:
En todo el mundo
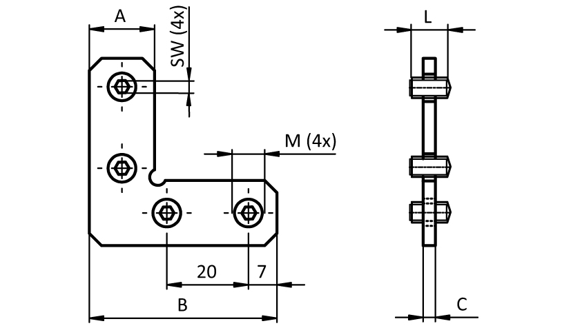
Description:
To connect two aluminum profiles
Material:
Acero
Superficie:
Galvanizado
                
                                                                En todo el mundo
Description:
To connect two aluminum profiles
Material:
Acero
Superficie:
Galvanizado
| (ECLASS 6.0): | 23360290 | 
|---|---|
| (ECLASS 7.0): | 23360290 | 
| (ECLASS 8.0): | 23360290 | 
| (ECLASS 9.0): | 23360290 | 
| (ECLASS 10.0): | 23360290 | 
| (ECLASS 11.0): | 23360290 | 
| (ECLASS 12.0): | 23360290 | 
| (ECLASS 13.0): | 23360290 | 
| Cantidad por Paquete: | 10 piezas | 
| Model: | Acero | 
| Numero de ERP: | 118544 | 
| Número de Arancel Aduanero de Exportación: | 73269098 | 
| Peso (g): | 59.0 | 
| Zolltarifnummer: | 73269098900 |