Saltar al contenido principal Saltar a la búsqueda Saltar a la navegación principal
Los días 29 y 30 de septiembre de 2025 realizaremos una paralización de actividades para preparar nuestro nuevo sistema SAP. A partir del 1 de octubre de 2025 volveremos a estar a su entera disposición. Más información

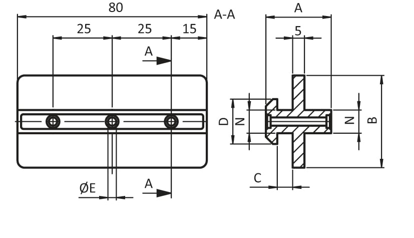
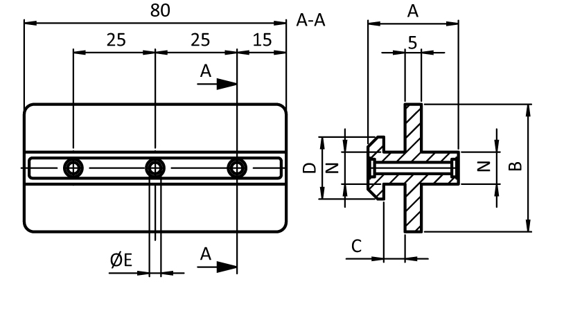
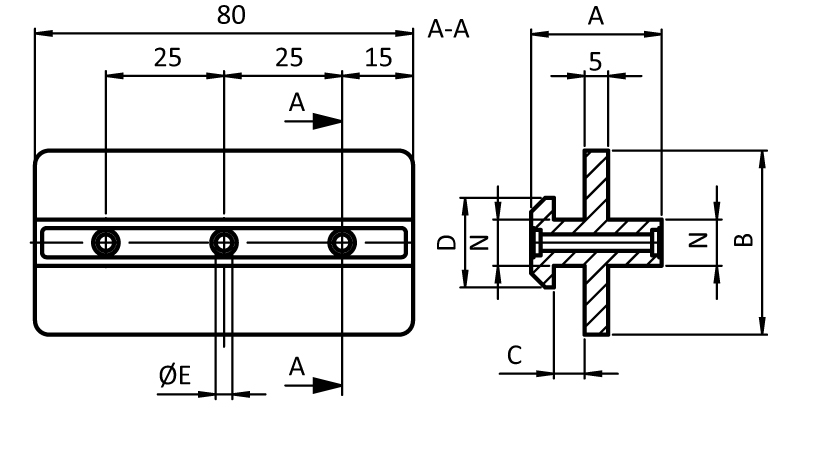
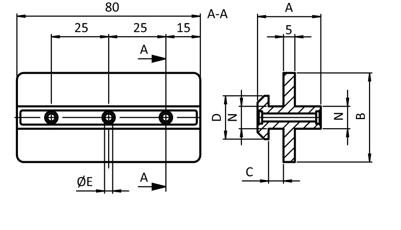
Profile Slider Center Ridge

Información sobre el producto "Profile Slider Center Ridge"

Países de Entrega:
En todo el mundo

Description:
To guide slidingly profiles with slot 10; economic and wear-resistant solution, e.g. for sliding doors

Material:
Plástico POM

Superficie:
Natural
(ECLASS 6.0): 23369290
(ECLASS 7.0): 23369290
(ECLASS 8.0): 23369290
(ECLASS 9.0): 23369290
(ECLASS 10.0): 23369290
(ECLASS 11.0): 23360192
(ECLASS 12.0): 23360192
(ECLASS 13.0): 23360192
Cantidad por Paquete: 10 piezas
Fastening: With sheet-metal screws
Model: Slot 10
Numero de PA: 129094
Número de Arancel Aduanero de Exportación: 39269097
Peso (g): 48.0
Zolltarifnummer: 39269097900

Variantes

ID de producto Profile D (mm) Ranura N (mm) C (mm) A (mm) E (mm) B (mm)
093SM10S01 B 19.0 10 6.5 27.6 3.5 39.0

Descargas CAD

Certificados