Articulation à friction B40L pour bras (Kit)
Réf. produit :
061FGS40LN10
Informations sur le produit "Articulation à friction B40L pour bras (Kit)"
Couleur:
Logement : couleur alu
Anneau de couverture : gris ≈ RAL 7042
Caches : gris ≈ RAL 7042
Plaques de centrage : couleur alu
Pays de livraison:
Monde entier
Description:
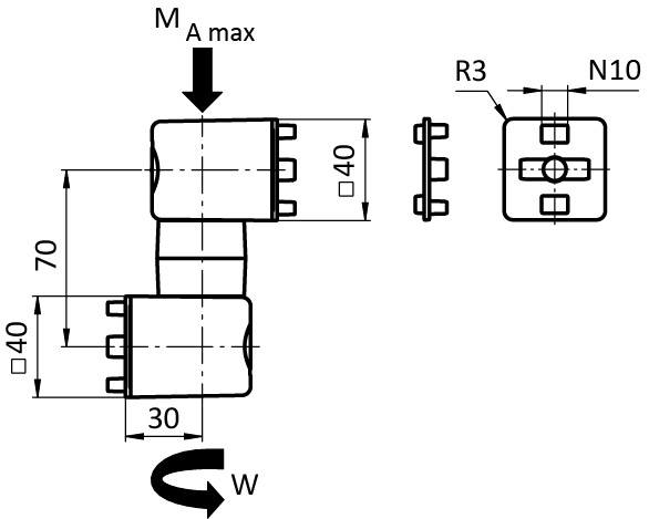
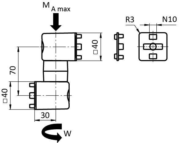
Joint de raccordement avec friction pour la création de bras de système avec pièces de profilé; orientable 360°;
Le joint de friction peut être fixé latéralement, transversalement, ou sur la face du profilé; si fixé sur la face avant, le trou central du profilé respectif doit être fileté M8 (min. 15 mm de profondeur)
Matériau:
Logement : fonderie d’aluminium
Anneau de couverture : plastique
Inserts : acier
Arbre de friction : acier
Caches : plastique
Vis : acier
Rondelles : acier
Plaques de centrage : fonderie d’aluminium
Ecrous de rainure en T : acier
Set:
1 friction joint
2 cover caps
2 screws DIN EN ISO 4762 (DIN 912) - M8 x 45 (for T-slot nut)
2 screws DIN EN ISO 4762 (DIN 912) - M8 x 50 (for core hole)
2 washers 8-FSt
2 centering plates
2 T-slot nuts - slot 10 - M8
Etat de surface:
Logement : peint. poudre
Plaques de centrage : peint. poudre
Vis : zingué
Rondelles : zingué
Ecrous pour rainure en T : zingué
Information:
Insert fileté pour réduction du Ø 10.2mm central en M8 voir 09308801
Logement : couleur alu
Anneau de couverture : gris ≈ RAL 7042
Caches : gris ≈ RAL 7042
Plaques de centrage : couleur alu
Pays de livraison:
Monde entier
Description:
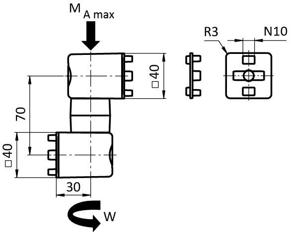
Joint de raccordement avec friction pour la création de bras de système avec pièces de profilé; orientable 360°;
Le joint de friction peut être fixé latéralement, transversalement, ou sur la face du profilé; si fixé sur la face avant, le trou central du profilé respectif doit être fileté M8 (min. 15 mm de profondeur)
Matériau:
Logement : fonderie d’aluminium
Anneau de couverture : plastique
Inserts : acier
Arbre de friction : acier
Caches : plastique
Vis : acier
Rondelles : acier
Plaques de centrage : fonderie d’aluminium
Ecrous de rainure en T : acier
Set:
1 friction joint
2 cover caps
2 screws DIN EN ISO 4762 (DIN 912) - M8 x 45 (for T-slot nut)
2 screws DIN EN ISO 4762 (DIN 912) - M8 x 50 (for core hole)
2 washers 8-FSt
2 centering plates
2 T-slot nuts - slot 10 - M8
Etat de surface:
Logement : peint. poudre
Plaques de centrage : peint. poudre
Vis : zingué
Rondelles : zingué
Ecrous pour rainure en T : zingué
Information:
Insert fileté pour réduction du Ø 10.2mm central en M8 voir 09308801
| (ECLASS 6.0): | 23360301 |
|---|---|
| (ECLASS 7.0): | 23360301 |
| (ECLASS 8.0): | 23360301 |
| (ECLASS 9.0): | 23360301 |
| (ECLASS 10.0): | 23360301 |
| (ECLASS 11.0): | 23360301 |
| (ECLASS 12.0): | 23360301 |
| (ECLASS 13.0): | 23360301 |
| Code ERP: | 146177 |
| Code douanier exportation: | 73269098 |
| Conditionnement: | 1 kit |
| Conditionnement: | 1 kit |
| Modèle: | 40 mm Dimension Modulaire |
| PFA_ProductPortrait: | http://www.frictionjoint.fath24.com |
| Poids (g): | 777.0 |
| Zolltarifnummer: | 76169990990 |