Skip to main content Skip to search Skip to main navigation
Customer information regarding the ERP changeover on October 1, 2025 – for you, this means better service and reliability! Learn more now

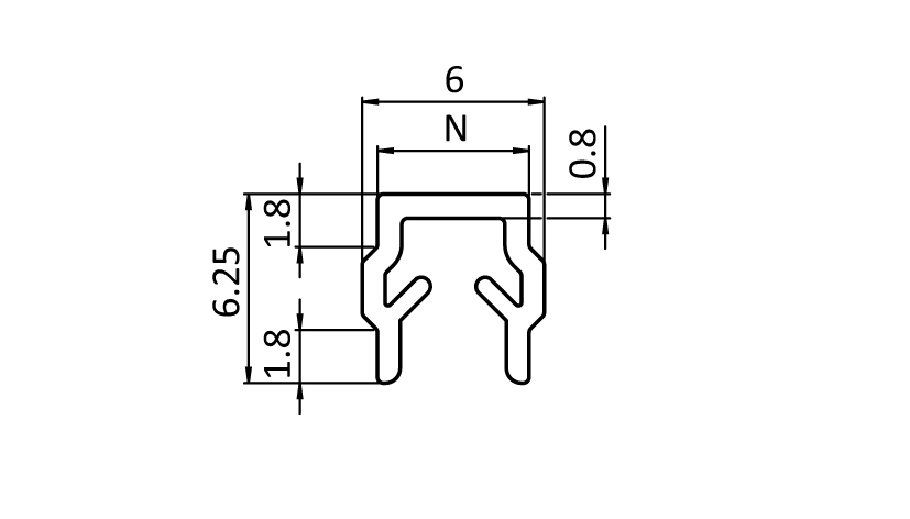
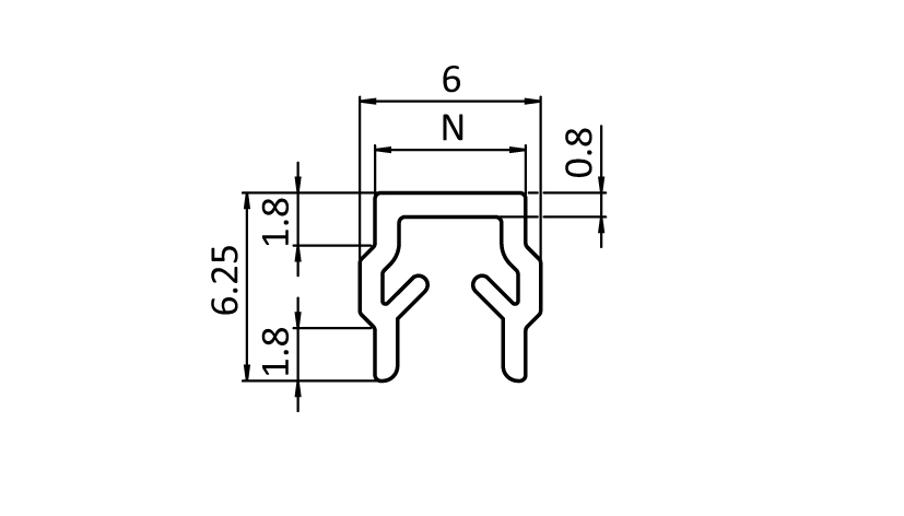
Cover and Reduction Profile I Slot 5

Product information "Cover and Reduction Profile I Slot 5"

Color:
Black, gray, natural

Delivery Countries:
Worldwide

Description:
To cover size 5 profile slots and to secure panels with a thickness of 2 - 3 mm

Material:
Plastic PP

Specials:
Other colors on request
(ECLASS 6.0): 23369290
(ECLASS 7.0): 23369290
(ECLASS 8.0): 23369290
(ECLASS 9.0): 23369290
(ECLASS 10.0): 23369290
(ECLASS 11.0): 23360492
(ECLASS 12.0): 23360492
(ECLASS 13.0): 23360492
Customs Tariff Number Export: 39169050
ERP Number: 169214
Model: Plastic PP, slot 5
Pack Quantity: 200 meters (100 pieces at 2 m)
Pack Quantity (1): 100
Weight (g/m): 26.0
Zolltarifnummer: 39169050900

Variants

Product ID Color Profile Slot N (mm)
092045 Black I 5
092045S07 Gray ≈ RAL 7042 I 5
092047 Natural I 5

CAD Downloads

Certificates