Skip to main content Skip to search Skip to main navigation

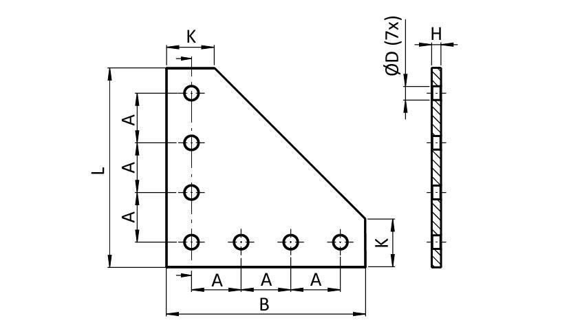
ECO Connection Plate AL L 7 Hole, 1 Slot Version

Product information "ECO Connection Plate AL L 7 Hole, 1 Slot Version"

Delivery Countries:
North America

Description:
To connect two aluminum profiles

Material:
Aluminum

Surface:
Anodized
Model: Aluminum
Pack Quantity: 10 pieces
Customs Tariff Number Export: 76169990
Weight (g): 90.0
(ECLASS 6.0): 23360290
(ECLASS 7.0): 23360290
(ECLASS 8.0): 23360290
(ECLASS 9.0): 23360290
(ECLASS 10.0): 23360290
(ECLASS 11.0): 23360290
(ECLASS 12.0): 23360290
(ECLASS 13.0): 23360290
ERP Number: 150576
Zolltarifnummer: 76169990990

Variants

Part # Version ØD (mm) A (mm) B (mm) H (mm) K (mm) L (mm)
093EVL102102 102 / 102 - 4" / 4" 7.0 (0.27") 25.4 (1") 101.6 (4") 4.8 (0.19") 25.0 (0.98") 101.6 (4")
093EVL152152 152 / 152 - 5.98" / 5.98" 9.0 (0.35") 38.1 (1.5") 152.4 (6") 6.35 (0.25") 38.0 (1.49") 152.4 (6")

Certificates