Skip to main content Skip to search Skip to main navigation
Customer information regarding the ERP changeover on October 1, 2025 – for you, this means better service and reliability! Learn more now

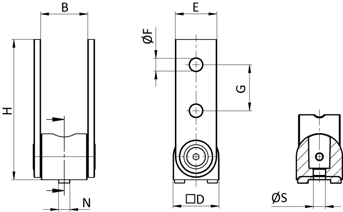
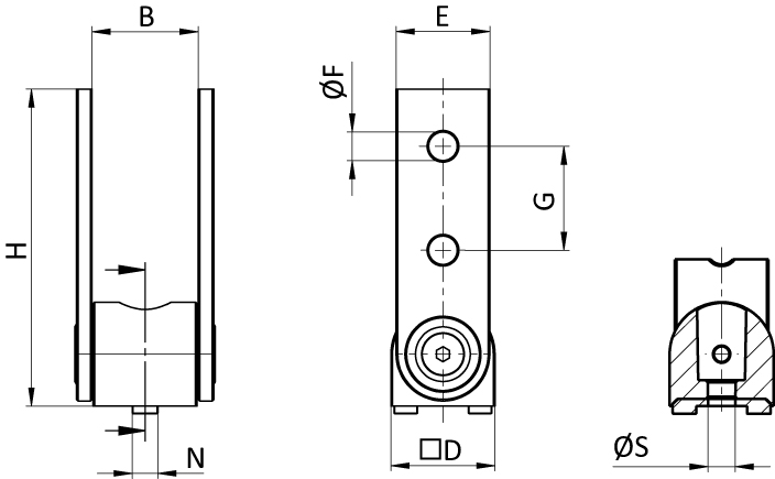
Pivot Joint 180°, 1 Slot

Product information "Pivot Joint 180°, 1 Slot"

Color:
Alu color

Delivery Countries:
Worldwide

Description:
To make a pivoting connection between two profiles, with separate locating pins

Material:
Joint: Aluminum die-cast
Centering piece 5/6 and 6/8: Plastic PA
Centering piece 8/10: Zinc die-cast

Specials:
Other surfaces, other colors on request

Surface:
Joint: Powder coated
Centering piece: Plain
(ECLASS 6.0): 23360301
(ECLASS 7.0): 23360301
(ECLASS 8.0): 23360301
(ECLASS 9.0): 23360301
(ECLASS 10.0): 23360301
(ECLASS 11.0): 23360301
(ECLASS 12.0): 23360301
(ECLASS 13.0): 23360301
Customs Tariff Number Export: 76169910
ERP Number: 118326
Model: Aluminum die-cast, plastic, zinc die-cast
Pack Quantity: 10 pieces
Pack Quantity (1): 1
Weight (g): 363.0
Zolltarifnummer: 76169910990

Variants

Product ID H (mm) D (mm) Slot N (mm) ØF (mm) E (mm) B (mm) ØS (mm) Grid G (mm)
093GV20 61.0 20.0 5 / 6 5.5 18.0 20.4 5.2 20 20.0
093GV30 86.0 30.0 6 / 8 6.5 28.0 30.4 6.4 30 30.0
093GV40 121.5 40.0 8 / 10 8.5 37.0 40.6 8.5 40 40.0
093GV45 141.5 45.0 8 / 10 8.5 42.0 45.6 8.5 45 45.0

CAD Downloads

Certificates